
北京纳兹精密科技有限公司
BEIJING NATSU PRECISION TECHNOLOGY CO.LTD

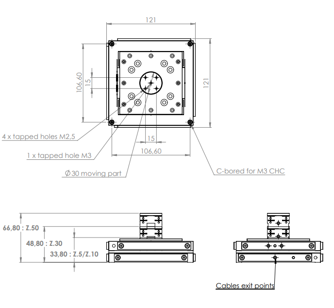
三轴平台
SPM3 载台是一个三轴超高速纳米定位器,提供在 X 和 Y 方向上的 75 微米的行程范围,并且在两个轴上具有高于 2 千赫兹的固有频率。
SPM3 载台的 Z 部分可以具有 50 微米的行程范围,并提供市场上最高的速度性能,最大固有频率为 12.5 千赫兹。事实上,当与高功率控制器一起使用时,SPM3.5 在 Z 轴上的步响应时间可以小于一毫秒。这就是为什么 SPM 载台特别适合于诸如原子力显微镜 (AFM) 等苛刻的计量应用。
它可以与粗定位微台结合使用(请参阅我们的 混合系统)。这个纳米定位器是我们高速产品线的一部分(提供高功率控制器)。

